产品详情介绍
SC02B 2按键带自校正功能的容性触摸感应器
SC02B是带自校正的容性触摸感应器,可以检测2个感应盘是否被触摸。它可以通过任何非导电介质(如玻璃和塑料)来感应电容变化。这种电容感应的开关可以应用在很多电子产品上,提高产品的附加值。
2个完全独立的触摸感应按键
保持自动校正,无需外部干预
按键输出经过完全消抖处理
并行一对一输出
所有按键共用一个灵敏度电容
感应线长度不同不会导致灵敏度不同
2.5V ~ 6.0V 工作电压
符合RoHS指令的环保SOP8封装
替代机械开关
家庭应用(电视、显示器、键盘)
玩具和互动游戏的人机接口
门禁按键
灯控开关
密封键盘面板
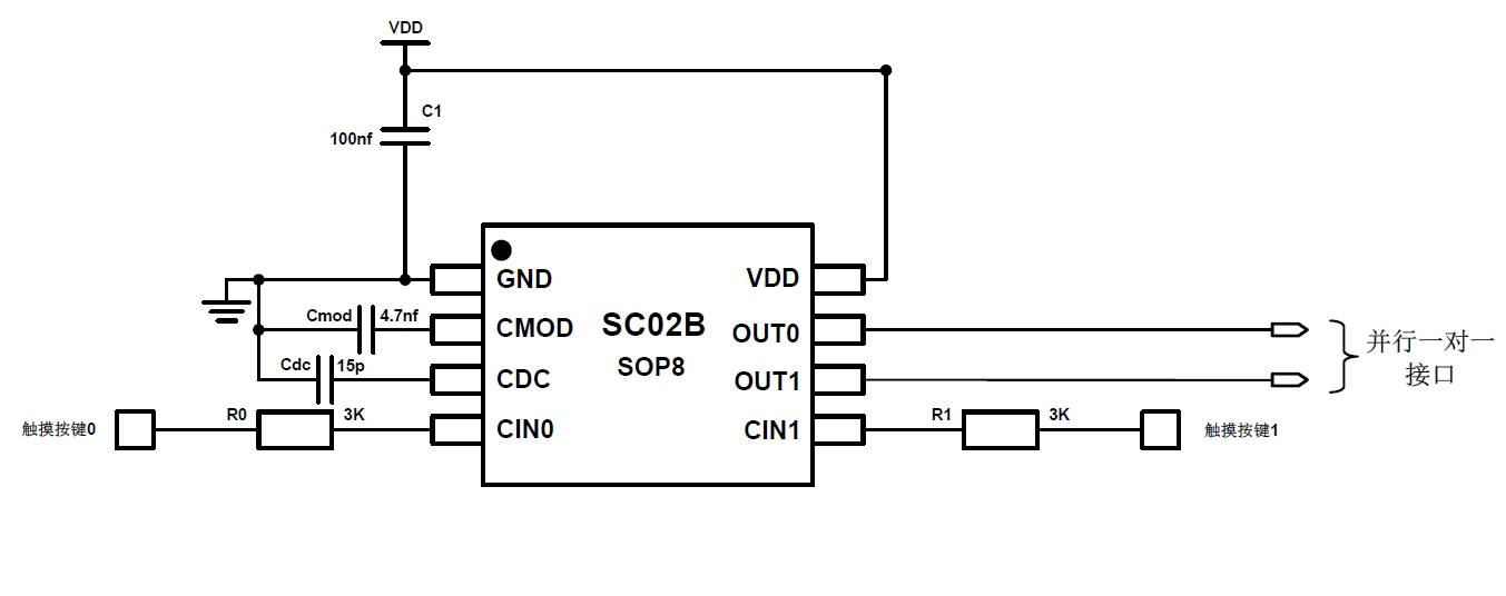
SC02B采用SOP8封装

表1-1: 管脚汇总
管脚汇总
VDD, GND
电源正负输入端。
CMOD
电荷收集电容输入端,接固定值的电容,和灵敏度无关。
CDC
接灵敏度电容,电容范围是最小5pf ,最大100pf。根据使用环境选择合适的电容值,数值越小,灵敏度越高。
CIN0~CIN1
接感应盘,是感应电容的输入检测端口。
OUT0~OUT1
并行一对一输出端口,分别对应CIN0~CIN1。端口内部结构为带上拉电阻的NMOS开漏输出,输出弱高或强低电平,有效电平是强低电平。

注:
1. Cmod是电荷收集电容, 通常取值范围在1nf~10nf,典型值是4.7nf。
2. Cdc是灵敏度电容,取值范围是最小5pf,最大100pf, 电容取值越小,灵敏度越高。
3. OUT0~OUT1输出引脚内部集成10K的上拉电阻,可以直接与单片机连接,无需再接上拉。
SC02B标签
深圳市奥伟斯科技有限公司是一家专注触摸芯片,单片机,电源管理芯片,语音芯片,场效应管,显示驱动芯片,网络接收芯片,红外线接收头及其它半导体产品的研发,代理销售推广的高新技术企业。
NT01A(单通道触摸IC)
ST01T(单通道触摸IC)
ST01(单通道触摸IC)
SC01B(单通道触摸IC)
SC02A(双通道触摸IC)
SC02B(双通道触摸IC)
SC04A(四通道触摸IC)
SC04B(四通道触摸IC)
SC05A(五通道触摸IC)
SC05B(五通道触摸IC)
SC09A(九通道触摸IC)
SC09B(九通道触摸IC)
SC12A(十二通道触摸IC)
SC12B(十二通道触摸IC)
MC802(双通道触摸IC)
MC804(四通道触摸IC)
Leven Cai 蔡明柱
MOB : 13751188660 (微信同号)
深圳市奥伟斯科技有限公司
OWEIS ELECTRONICS Co., LIMITED.
总部:深圳市福田区深南中路3006号佳和华强大厦A座7楼
佛山分公司:佛山市顺德区北滘镇深业路深业城49栋2801室
香港分公司:香港新界沙田火炭坳背湾街45-47号喜利佳工业大厦13楼F室
TEL : +86-755-82544779 FAX : +86-755-23805907
www.oweis-tech.com E-Mail : leven@oweis-tech.com
专业代理销售产品:电容式触摸芯片 电源管理芯片 显示驱动芯片 马达驱动芯片 音频功放芯片 运算放大器 单片机 MOS管 贴片电解电容 贴片电阻 二极管 三极管 红外线接收头 光电开关
专业代理销售品牌:ADSEMI IKSEMI TISEMI AUK FOSAN/富信 FOLLON/富隆 ICMAN/晶尊微 Chipsbank/芯邦 RUNIC/润石 Gainsil/聚洵 3PEAK/思瑞浦 杭州中科微 HEROIC/禾润
Copyright © 2013 深圳市奥伟斯科技有限公司版权所有 All Right Reserved ICP备:粤ICP备12049165号