产品详情介绍

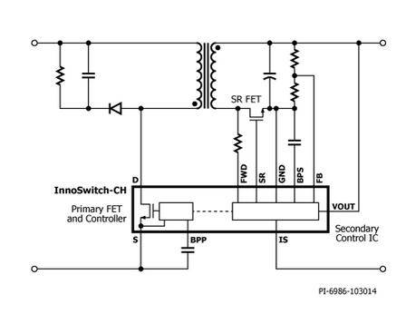
集成了反激式控制器、650 V MOSFET、
次级侧检测和同步整流
带HIPOT隔离保护的集成反馈链路
出色的CV/CC精度,不受变压器设计或外围元件的影响
即时瞬态响应±5% CV,0-100-0%负载阶跃
在230 VAC下空载功耗<10 mW,带可选偏置绕组
轻松满足全球所有能效标准,包括DOE 6/CoC v5
低散热
初级检测过压保护(OVP),带可选偏置绕组
次级检测输出过冲箝位
次级检测输出过流保护(OCP),输出电压降至零
迟滞热关断保护
在6 kV DC/1秒条件下通过100%生产HIPOT合规性测试
加强绝缘
隔离电压 = 3,500 VAC,通过UL1577和TUV (EN60950)安全认证,符合EN61000-4-8 (100 A/m)和EN61000-4-9 (1000 A/m)标准
无卤素和符合RoHS
适用于智能移动设备的充电器和适配器
LED照明
高效率、低电压、高电流电源
| 输出功率(瓦特) | |||||
|---|---|---|---|---|---|
| 产品3 | |||||
| 230 VAC ±15% | 85-265 VAC | ||||
| 适配器1 | 峰值或 敞开式 2 | 适配器1 | 峰值或 敞开式 2 | ||
| INN20x3K | 12 W | 15 W | 12 W | 15 W | |
| INN20x4K | 15 W | 20 W | 15 W | 20 W | |
| INN20x5K | 20 W | 25 W | 20 W | 25 W | |
Copyright © 2013 深圳市奥伟斯科技有限公司版权所有 All Right Reserved ICP备:粤ICP备12049165号