liisemi力生美最新同步整流LN5S03
liisemi力生美代理奥伟斯
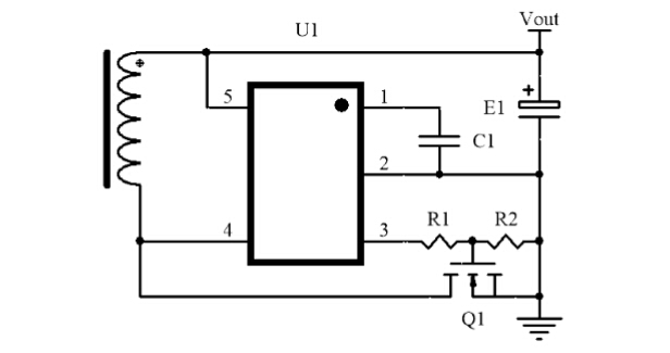
用于同步整流的控制器 LN5S03 已上市,该产品是力生美第二代同步整流控制器产品系列,可提供更多优异的性能和更广泛的使用范围,可在 CCM/DCM/CrM 等各种开关电源架构中使用,小巧的 SOT23-5 封装形式配合极少的外围器件数量,可使系统得以设计的非常紧致小巧,是高密度电源的最佳选择之一。
主要特点:
内置 TrueWaveTM 实时波形追踪技术
支持开关电源 CCM/CrM/DCM 模式
极宽的工作电压范围 4.5V 至 40V
可 5V 直接供电或由辅助绕组供电
内置高压隔离开关耐压高达 120V
至简外围最低仅需一颗 MOSFET
占板面积极小的 SOT23-5 封装形式
LN5S01:
次级侧同步整流控制器,耐压 160V,内置 TrueWave TM 实时波形跟踪技术,快速图腾柱驱动输出,最大输出电流高达 1.5A,支持 DCM/CrM/QR/PSR/LLC 等各种非连续式电源模式及架构,适用开关频率高达 200kHz,SOP8 封装,是低电压高电流输出的 6 级能效开关电源应用的极佳选择。

LN5S03:
次级侧同步整流控制器,耐压 120V,内置 TrueWave TM 实时波形跟踪技术,快速图腾柱驱动输出,最大输出电流高达 1A,支持 CCM/DCM/CrM/QR/PSR/LLC 等各种电源模式及架构,适用开关频率高达 200kHz,供电方式灵活且可直接使用 5V 进行供电,小巧的 SOT23-5 封装,是低电压高电流输出的 6 级能效开关电源应用的极佳选择。

奥伟斯科技正式代理力生美全系列电源产品,详细资料请联系销售人员!
Copyright © 2013 深圳市奥伟斯科技有限公司版权所有 All Right Reserved ICP备:粤ICP备12049165号