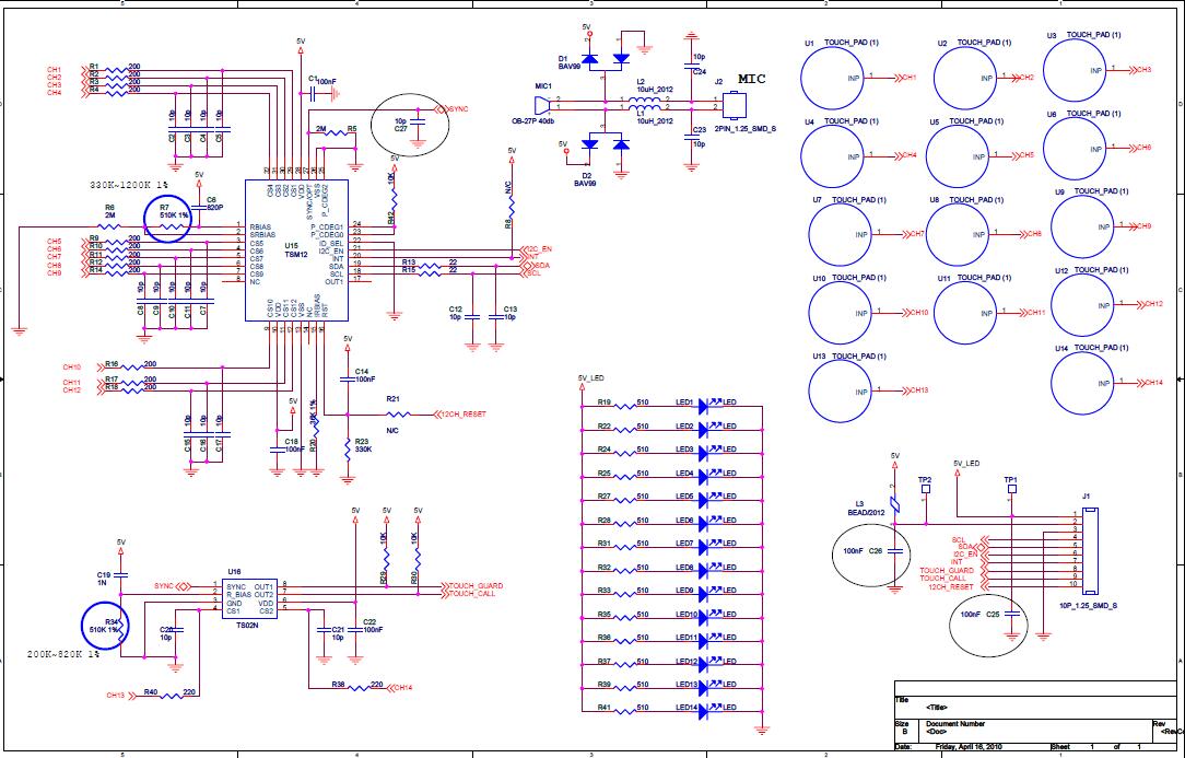
TSM12 ADS十二通道触摸按键芯片
TSM12 十二通道触摸按键芯片(低功耗 高一致性 密码锁专用触摸芯片 门码锁专用触摸芯片)

TSM12(12-CH自动灵敏度校准电容式触摸传感器)
TSM12M(12-CH自动灵敏度校准电容式触摸传感器)
TSM12MC(12-CH自动灵敏度校准电容式触摸传感器)
TSM12一般特点
12通道电容式传感器,自动灵敏度校准
可选择的输出操作(单模/多模)
独立可调8步灵敏度
多芯片应用的同步功能
触摸强度可以检测到3个步骤内(低,中,高)
可调内部与外部电阻频率
可调响应时间和中断优先级控制寄存器
I2C串行接口
嵌入式的高频噪声消除电路
空闲模式节省功耗
嵌入式通道1电源键功能的手机应用
符合RoHS32QFN封装
TSM12应用
移动应用程序(手机/ PDA/ PMP等)
薄膜开关更换
密封控制面板,键盘
门钥匙锁矩阵应用
更换触摸屏应用
TSM12包装(32MLF)
深圳市奥伟斯科技有限公司是一家专注触摸芯片,单片机,电源管理芯片,语音芯片,场效应管,显示驱动芯片,网络接收芯片,运算放大器,红外线接收头及其它半导体产品的研发,代理销售推广的高新技术企业.
奥伟斯科技自成立以来一直致力于新半导体产品在国内的推广与销售,年销售额超过壹亿人民币是一家具有综合竞争优势的专业电子元器件代理商.
本公司代理推广的一系列优秀触摸芯片及语音芯片,现以大批量应用到智能电子锁、饮水机、电饭煲、LED台灯等控制器为顾客提供最佳解决方案,受到广大客户的一致赞誉。
奥伟斯科技优势行业集中在家用电器和汽车电子领域,包括:智能电子锁、饮水机、抽烟机、空调、洗衣机、冰箱、洗碗机、电饭煲、电磁炉、微波炉、电动自行车、汽车仪表、汽车音响、汽车空调等。销售网络覆盖华东、华南及华北地区。
奥伟斯科技已为众多世界著名企业提供服务如:美的、小米、云米、长虹、创维、三星、LG、飞利浦、TCL、海尔、美菱、沁园、等众多中国一流品牌电家厂商
奥伟斯科技提供专业的智能电子锁触摸解决方案,并提供电子锁整套的芯片配套:低功耗触摸芯片 低功耗单片机 马达驱动芯片 显示驱动芯片 刷卡芯片 时针芯片 存储芯片 语音芯片 低压MOS管 TVS二极管
主要品牌产品:
OWEIS-TECH
OWEIS触摸芯片 OWEIS接口芯片 OWEIS电源芯片 OWEIS语音芯片 OWEIS场效应管
一.电容式触摸芯片
ADSEMI触摸芯片代理 芯邦科技触控芯片 万代科技触摸按键芯片 博晶微触摸控制芯片 海栎创触摸感应芯片 启攀微触摸IC 融和微触摸感应IC 合泰触摸按键IC 通泰触摸芯片
二.汽车电子/电源管理/接口芯片/逻辑芯片:
IKSEMICON一级代理 ILN2003ADT IK62783DT IL2596 IL2576 ILX485 ILX3485 ILX232 ILX3232
三.功率器件/接收头/光电开关:
KODENSHI AUK SMK系列MOS管SMK0260F SMK0460F SMK0760F SMK1260F SMK1820F SMK18T50F
四. LED显示驱动芯片:
中微爱芯AIP系列 AIP1668 AIP1628 AIP1629 AIP1616天微电子TM系列 TM1628 TM1668 TM1621
五.电源管理芯片:
Power Integrations LNK364PN LNK564PN 芯朋微PN8012 PN8015 AP5054 AP5056 力生美 晶源微 友达 天钰电子FR9886 FR9888
六.语音芯片:
APLUS巨华电子AP23085 AP23170 AP23341 AP23682 AP89085 AP89170 AP89341 AP89341K AP89682
七.运算放大器:
3PEAK运算放大器 聚洵运算放大器 圣邦微运算放大器
八.发光二极管:
OSRAM欧司朗发光二极管 Lite-On光宝发光二极管 Everlight亿光发光二极管 Kingbright今台发光二极管
九. CAN收发器:
NXP恩智浦CAN收发器 Microchip微芯CAN收发器
十.分销产品线:
ONSEMI安森美 TI德州仪器 ADI TOSHIBA东芝 AVAGO安华高
十一 MCU单片机
ABOV现代单片机MC96F系列 Microchip微芯单片机PIC12F PIC16F PIC18F系列 FUJITSU富仕通单片机MB95F系列 STM单片机STM32F STM32L系列 CKS中科芯单片机CKS32F系列 TI单片机MSP430系列 TMS320F系列 NXP单片机LPC系列
聚洵零漂移运算放大器GS8592-SR GS8592-MR GS8594-TR GS8594-SR GS6554-TR GS6554-SR GS6552-SR GS6552-MR GS6551-CR GS6551-TR GS8551-TR GS8551-SR GS8552-SR GS8552-MR GS8554-TR GS8554-SR GS8331-TR GS8331-CR GS8331-SR GS8331Y-TR GS8331Y-CR GS8332-SR GS8332-MR GS8332-FR GS8334-TR GS8334-SR
聚洵高速运算放大器:GS8091-CR GS8091-TR GS8091N-CR GS8091N-TR GS8092-SR GS8092-MR GS8092N-MR GS8094-TR GS8094-SR GS8054-TR GS8054-SR GS8052N-MR GS8052-SR GS8052-MR GS8051N-CR GS8051N-TR GS8051-CR GS8051-TR
聚洵高精度运算放大器:GS358-SR GS358-MR GS358-DR GS358-FR GS321Y-CR GS321Y-TR GS321-CR GS321-TR GS8721-CR GS8721-TR GS8721-SR GS8722-SR GS8722-MR GS8724-TR GS8724-SR GS8631-CR GS8631-TR GS8631-SR GS8632-SR GS8632-MR GS8634-TR GS8634-SR GS8631N-TR
聚洵纳安级运算放大器:GS6041-CR GS6041-TR GS6041-SR GS6041-MR GS6042-SR GS6042-MR GS6042-FR GS6043-SR GS6043-MR GS6044-TR GS6044-SR
聚洵高压摆率运放:GS2771-TR GS2772-SR GS2772-MR GS2774-TR GS2774-SR GS2771N-TR
聚洵低电压低功耗运算放大器:GS6001A-CR GS6001A-TR GS6001-CR GS6001-TR GS6001Y-CR GS6001Y-TR GS6002-SR GS6002-MR GS6004-SR GS6004-MR
Leven Cai 蔡明柱
MOB : 13751188660
深圳市奥伟斯科技有限公司
OWEIS ELECTRONICS Co., LIMITED.
址址:深圳市福田区深南中路3006号佳和华强大厦A座7楼701-703室
ADD:Rm701-703, Block A, Jiahe huaqiang Bldg., Shennan zhong Rd., Futian District, Shenzhen, Guangdong, China 518000
TEL : +86-755-82544779
FAX : +86-755-23805907
E-Mail : leven@oweis-tech.com
www.oweis-tech.com
www.oweis-tech.cn
专业代理销售电容式触摸芯片 电源管理芯片 单片机 MOS管 IKSEMI一级代理
下一篇:TS01S ADS单通道触摸芯片
Copyright © 2013 深圳市奥伟斯科技有限公司版权所有 All Right Reserved ICP备:粤ICP备12049165号